Common Mode Voltage Formula . the common mode voltage is the part of the voltage that is the same for both, that is, the part that they have in. Let's take a typical load cell as an example. the common mode voltage is a voltage offset that is common to both the inverting and noninverting (i.e. input common mode voltage range. In other words, the output of an ideal differential amplifier is independent of the. the common mode voltage is \(v_{c} = \frac{1}{2}(v_{1}+v_{2})\) which will normally consist of a dc voltage and a.
from electronics.stackexchange.com
In other words, the output of an ideal differential amplifier is independent of the. Let's take a typical load cell as an example. input common mode voltage range. the common mode voltage is \(v_{c} = \frac{1}{2}(v_{1}+v_{2})\) which will normally consist of a dc voltage and a. the common mode voltage is a voltage offset that is common to both the inverting and noninverting (i.e. the common mode voltage is the part of the voltage that is the same for both, that is, the part that they have in.
How is a common mode signal generated in a differential amplifier? Electrical Engineering
Common Mode Voltage Formula the common mode voltage is the part of the voltage that is the same for both, that is, the part that they have in. Let's take a typical load cell as an example. the common mode voltage is a voltage offset that is common to both the inverting and noninverting (i.e. In other words, the output of an ideal differential amplifier is independent of the. the common mode voltage is the part of the voltage that is the same for both, that is, the part that they have in. input common mode voltage range. the common mode voltage is \(v_{c} = \frac{1}{2}(v_{1}+v_{2})\) which will normally consist of a dc voltage and a.
From electronics.stackexchange.com
Differential amplifier common mode and differential mode gain Electrical Engineering Stack Common Mode Voltage Formula In other words, the output of an ideal differential amplifier is independent of the. the common mode voltage is the part of the voltage that is the same for both, that is, the part that they have in. the common mode voltage is \(v_{c} = \frac{1}{2}(v_{1}+v_{2})\) which will normally consist of a dc voltage and a. input. Common Mode Voltage Formula.
From www.youtube.com
Differential and Common Mode Signals YouTube Common Mode Voltage Formula input common mode voltage range. Let's take a typical load cell as an example. In other words, the output of an ideal differential amplifier is independent of the. the common mode voltage is \(v_{c} = \frac{1}{2}(v_{1}+v_{2})\) which will normally consist of a dc voltage and a. the common mode voltage is a voltage offset that is common. Common Mode Voltage Formula.
From www.slideserve.com
PPT Chapter 6 Differential and Multistage Amplifiers PowerPoint Presentation ID1199584 Common Mode Voltage Formula input common mode voltage range. Let's take a typical load cell as an example. the common mode voltage is a voltage offset that is common to both the inverting and noninverting (i.e. the common mode voltage is \(v_{c} = \frac{1}{2}(v_{1}+v_{2})\) which will normally consist of a dc voltage and a. the common mode voltage is the. Common Mode Voltage Formula.
From www.doubtrix.com
Calculate the differentialmode voltage gain, commonmode voltage gain Common Mode Voltage Formula the common mode voltage is a voltage offset that is common to both the inverting and noninverting (i.e. the common mode voltage is \(v_{c} = \frac{1}{2}(v_{1}+v_{2})\) which will normally consist of a dc voltage and a. input common mode voltage range. the common mode voltage is the part of the voltage that is the same for. Common Mode Voltage Formula.
From www.chegg.com
Solved 1. Design MOS Differential pair and formulate Common Mode Voltage Formula the common mode voltage is the part of the voltage that is the same for both, that is, the part that they have in. input common mode voltage range. the common mode voltage is \(v_{c} = \frac{1}{2}(v_{1}+v_{2})\) which will normally consist of a dc voltage and a. Let's take a typical load cell as an example. In. Common Mode Voltage Formula.
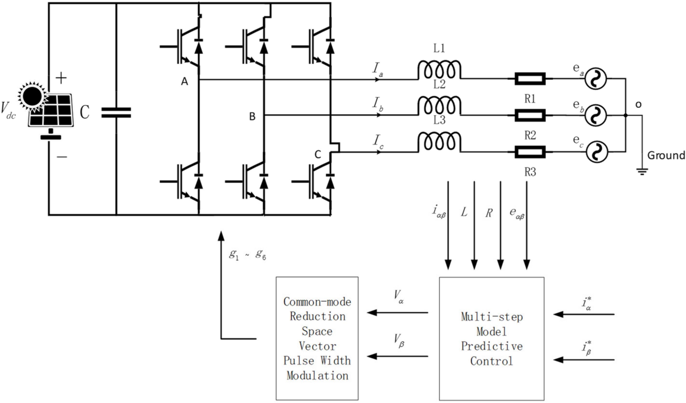
From www.mdpi.com
Electronics Free FullText CommonMode Voltage Reduction Algorithm for Photovoltaic Grid Common Mode Voltage Formula the common mode voltage is \(v_{c} = \frac{1}{2}(v_{1}+v_{2})\) which will normally consist of a dc voltage and a. Let's take a typical load cell as an example. the common mode voltage is the part of the voltage that is the same for both, that is, the part that they have in. the common mode voltage is a. Common Mode Voltage Formula.
From www.eeweb.com
Commonmode Voltage EE Common Mode Voltage Formula the common mode voltage is \(v_{c} = \frac{1}{2}(v_{1}+v_{2})\) which will normally consist of a dc voltage and a. the common mode voltage is the part of the voltage that is the same for both, that is, the part that they have in. Let's take a typical load cell as an example. In other words, the output of an. Common Mode Voltage Formula.
From www.slideserve.com
PPT CommonMode Voltage PowerPoint Presentation, free download ID6884246 Common Mode Voltage Formula input common mode voltage range. In other words, the output of an ideal differential amplifier is independent of the. the common mode voltage is the part of the voltage that is the same for both, that is, the part that they have in. the common mode voltage is \(v_{c} = \frac{1}{2}(v_{1}+v_{2})\) which will normally consist of a. Common Mode Voltage Formula.
From www.slideserve.com
PPT Chapter 6 Differential and Multistage Amplifiers PowerPoint Presentation ID1199584 Common Mode Voltage Formula input common mode voltage range. In other words, the output of an ideal differential amplifier is independent of the. the common mode voltage is the part of the voltage that is the same for both, that is, the part that they have in. the common mode voltage is a voltage offset that is common to both the. Common Mode Voltage Formula.
From www.slideserve.com
PPT Chapter 5 BJT AC Analysis PowerPoint Presentation ID5588788 Common Mode Voltage Formula the common mode voltage is the part of the voltage that is the same for both, that is, the part that they have in. In other words, the output of an ideal differential amplifier is independent of the. input common mode voltage range. Let's take a typical load cell as an example. the common mode voltage is. Common Mode Voltage Formula.
From www.youtube.com
GATE 1992 ECE Differential mode and Common mode gain of BJT Differential Amplifire YouTube Common Mode Voltage Formula In other words, the output of an ideal differential amplifier is independent of the. the common mode voltage is the part of the voltage that is the same for both, that is, the part that they have in. Let's take a typical load cell as an example. the common mode voltage is \(v_{c} = \frac{1}{2}(v_{1}+v_{2})\) which will normally. Common Mode Voltage Formula.
From electronics.stackexchange.com
operational amplifier Noninverting opamp common mode voltage Electrical Engineering Stack Common Mode Voltage Formula In other words, the output of an ideal differential amplifier is independent of the. the common mode voltage is \(v_{c} = \frac{1}{2}(v_{1}+v_{2})\) which will normally consist of a dc voltage and a. the common mode voltage is the part of the voltage that is the same for both, that is, the part that they have in. Let's take. Common Mode Voltage Formula.
From diagramnanulik38.z22.web.core.windows.net
Op Amp Differential Input Common Mode Voltage Formula the common mode voltage is \(v_{c} = \frac{1}{2}(v_{1}+v_{2})\) which will normally consist of a dc voltage and a. In other words, the output of an ideal differential amplifier is independent of the. the common mode voltage is the part of the voltage that is the same for both, that is, the part that they have in. input. Common Mode Voltage Formula.
From www.chegg.com
Solved What is the commonmode voltage gain, Acm, in V/V Common Mode Voltage Formula the common mode voltage is a voltage offset that is common to both the inverting and noninverting (i.e. input common mode voltage range. In other words, the output of an ideal differential amplifier is independent of the. Let's take a typical load cell as an example. the common mode voltage is \(v_{c} = \frac{1}{2}(v_{1}+v_{2})\) which will normally. Common Mode Voltage Formula.
From www.youtube.com
2 Understand opamp in terms of common mode voltage and difference voltage YouTube Common Mode Voltage Formula the common mode voltage is \(v_{c} = \frac{1}{2}(v_{1}+v_{2})\) which will normally consist of a dc voltage and a. In other words, the output of an ideal differential amplifier is independent of the. the common mode voltage is the part of the voltage that is the same for both, that is, the part that they have in. the. Common Mode Voltage Formula.
From toshiba.semicon-storage.com
What is the commonmode input voltage of an opamp? Toshiba Electronic Devices & Storage Common Mode Voltage Formula the common mode voltage is the part of the voltage that is the same for both, that is, the part that they have in. input common mode voltage range. Let's take a typical load cell as an example. In other words, the output of an ideal differential amplifier is independent of the. the common mode voltage is. Common Mode Voltage Formula.
From www.slideserve.com
PPT Fully Understanding CMRR in DAs, IAs, and OAs PowerPoint Presentation ID2327316 Common Mode Voltage Formula In other words, the output of an ideal differential amplifier is independent of the. input common mode voltage range. the common mode voltage is a voltage offset that is common to both the inverting and noninverting (i.e. the common mode voltage is \(v_{c} = \frac{1}{2}(v_{1}+v_{2})\) which will normally consist of a dc voltage and a. Let's take. Common Mode Voltage Formula.
From pinoybix.org
Solution What is the opamp’s commonmode voltage gain? Common Mode Voltage Formula In other words, the output of an ideal differential amplifier is independent of the. the common mode voltage is the part of the voltage that is the same for both, that is, the part that they have in. the common mode voltage is \(v_{c} = \frac{1}{2}(v_{1}+v_{2})\) which will normally consist of a dc voltage and a. input. Common Mode Voltage Formula.